Email Us
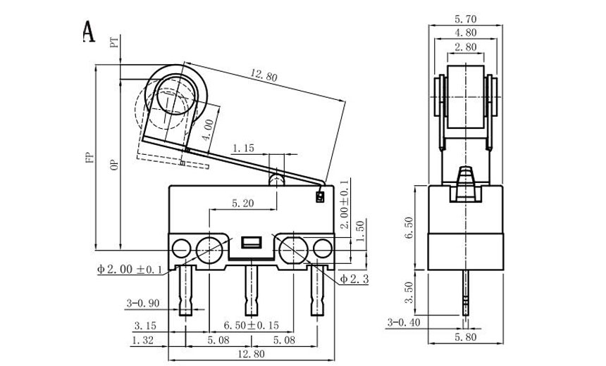
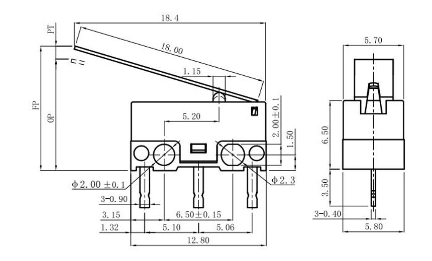
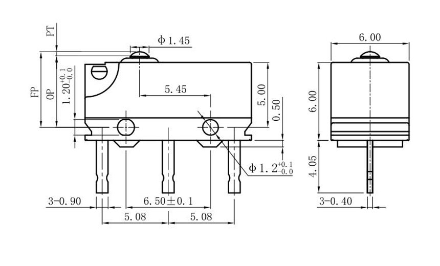
Subminiature Sealed Micro Switch G10B Series
12 volt waterproof micro switch
12 volt waterproof micro switch
china micro switch 12v
ip67 micro switch
ip67 waterproof micro switch
micro switch ip67
waterproof micro limit switch

Subminiature Sealed Micro Switch G10B Series

  • Designed For Water and dust tight(IP67)

  • Small Compact Size

  • Long Life and High Reliability

  • Variety of Levers Optional

  • Widely used in Automotive Electronics,Appliance and Industrial Control etc.

The Subminiature Sealed Micro Switch G10B Series is a high-reliability component engineered for precision control in automotive, industrial, and outdoor applications. With an IP67-rated sealed construction, it resists dust, moisture, and contaminants, ensuring consistent performance even under extreme conditions.


Key Features

  • Robust Sealed Protection   

    The fully sealed design extends lifespan by preventing internal damage from environmental factors, ideal for automotive detection systems and charging gun controls.

  • Ultra-Compact Size             

    Its subminiature dimensions save space while maintaining high electrical ratings (5A 250V AC/DC) and a mechanical life exceeding 100,000 cycles.

  • Precise & Sensitive Actuation            

    Low operating force and accurate switching response enhance reliability in applications requiring sensitive control.

  • Customizable Configurations             

    Choose from multiple actuator styles (hinged lever, simulated roller) and terminal types (PC, QC, SMT) to fit diverse application needs.


Specifications

RatingP10.1A 125/250VAC 30VDC
033A 125/250VAC 30VDC
Operating FrequencyElectrical10~30 cycles/min
Mechanical120 cycles/min
Contact Resistance (Initial Value)100mΩ Max.
Insulation Resistance (at 500VDC)100MΩ Min.
Dielectric StrengthBetween teminals600VAC 50~60Hz for 1 Min
Between terminals and housing1,000VAC 50~60Hz for 1 Min
Operating Temperature-40℃~+85℃
Operating Humidity85%RH Max
Service LifeElectrical10,000 cycles
Mechanical1,000,000 cycles


Ideal Applications

  • Automotive: Waterproof switches for door sensors, charging guns, and vehicle detection systems.

  • Industrial Equipment: Dustproof control units for machinery and automated production lines.

  • Smart Technology: Durable switching solutions for IoT devices and outdoor electronics.


    If you feel that the G10B is still a gap from your target switch, you may wish to learn about its similar Small Micro Switch G10.


    Products

    Subminiature Sealed Micro Switch G10B Series

    normally closed micro switch
    momentary push button micro switch
    momentary micro tactile switches
    microswitch push
    microswitch limit switch
    microswitch industrial

    Subminiature Sealed Micro Switch G10B Series Related Applications

    Contact with Us
    Add:
    RM1311, Renfeng Building, No. 490, Tianhe Road, Tianhe District, Guangzhou, Guangdong, China, 510630.
    Unionwell
    Switches are us, switch to us. Find quality micro switches at Unionwell
    Add:
    RM1311, Renfeng Building, No. 490, Tianhe Road, Tianhe District, Guangzhou, Guangdong, China, 510630.
    Add:
    RM1311, Renfeng Building, No. 490, Tianhe Road, Tianhe District, Guangzhou, Guangdong, China, 510630.
    We use cookies to offer you a better browsing experience, analyze site traffic and personalize content. By using this site, you agree to our use of cookies. Visit our cookie policy to learn more.
    Reject Accept