Email Us
IP67 Waterproof Micro Switch with Customized Lever G10B
G10B03-150G15B-125U-02
G10B03-150G15B-125U-02
G10B03-150G15B-125U-2

IP67 Waterproof Micro Switch with Customized Lever G10B

  • Place of Origin: Guangdong, China (Mainland)

  • Brand Name: Unionwell

  • Model Number: G10B03-150G15B-125U

  • Electrical Rating: ENEC/CQC, 3A 125/250VAC 30VDC, 1E4 μ 40T85

  • Operating Force: 150gf Max

  • Terminal Style: Molded Lead Wires (Lead to the Left Side, Pin Plunger Side)

  • Circuit Code: SPST-NC

  • Features: Customized 15# Lever, Small Compact Size, Long Life & High Reliability, Designed for Waterproof (IP67) and Dustproof, Widely Used in Appliance and Industrial Control

The IP67 Waterproof Micro Switch with Customized Lever G10B (G10B03-150G15B-125U) is engineered for high performance with ENEC/CQC certification and meets UL/cUL standards. It features a customized 15# lever, ensuring a compact design with long life and high reliability. The product is designed to be waterproof (IP67) and dustproof, making it ideal for diverse applications in both appliances and industrial control systems. With an electrical rating of 3A at 125/250VAC and 30VDC, and an operating force of up to 150gf, it is equipped with molded lead wires arranged on the left side (pin plunger side) and follows an SPST-NC circuit code.


Parameters:

RatingP10.1A 125/250VAC 30VDC
033A  125/250VAC 30VDC
Operating FrequencyElectrical10~30  Cycles/minute
Mechanical120 Cycles/minute
Contact Resistance(initial value)100mΩ Max
Insulation Resistanceat 500VDC,100MΩ Min.
Dielectric StrengthAC 600VAC RMS (50-60HZ)
Storage Temperature-40°C~+85°C
Storage Humidity85%RH Max
Service LifeElectrical10,000 Cycles
Mechanical300,000 Cycles


Products

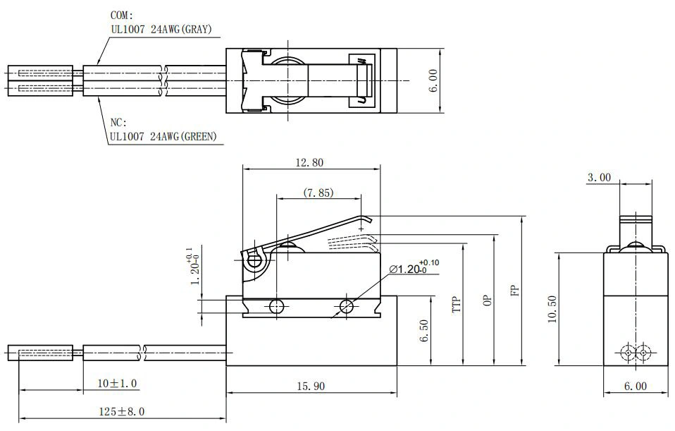
IP67 Waterproof Micro Switch with Customized Lever G10B Drawings

G10B03-150G15B-125U-2
Contact with Us
Add:
RM1311, Renfeng Building, No. 490, Tianhe Road, Tianhe District, Guangzhou, Guangdong, China, 510630.
Unionwell
Switches are us, switch to us. Find quality micro switches at Unionwell
Add:
RM1311, Renfeng Building, No. 490, Tianhe Road, Tianhe District, Guangzhou, Guangdong, China, 510630.
Add:
RM1311, Renfeng Building, No. 490, Tianhe Road, Tianhe District, Guangzhou, Guangdong, China, 510630.
We use cookies to offer you a better browsing experience, analyze site traffic and personalize content. By using this site, you agree to our use of cookies. Visit our cookie policy to learn more.
Reject Accept