Email Us
G23B Motor Electronic Lock for Onboard AC Charging Socket
g23b motor electronic lock for onboard ac charging socket1
g23b motor electronic lock for onboard ac charging socket1

G23B Motor Electronic Lock for Onboard AC Charging Socket

  • High-density sealed motor electronic lock meeting IP54 requirements

  • Reliable locking,manual and automatic unlocking

  • Accurate locking or unlocking positioning and clear gear

  • The motor electronic lock is sensitive to forward and reverse conversion, with long service life and stable and reliable.


Specifications of G23B Motor Electronic Lock for Onboard AC Charging Socket

Rated voltage12VDC (pulse)
Voltage range12±10% VDC.
Idling current<50mA
Locked-rotor current<500mA
Response time<100mS
Maximum power on time3S (No long time conduction)
Locking time<300mS
Unlocking time<300mS
Triggering time at 12VDC0.25S<t<1S
Functional angle<90°
Insulation Resistance100MQ Min
Dielectric Strength500VAC (50~60Hz)
Degree of ProtectionIECIP54 Except driving wheel and push rod active cavity
Operating Temperature-40°C~+85°C
Operating Humidity45%RH~85%RH
Service LifeElectrical30,000 cycles
Mechanical30,000 cycles (Min.)
Operating FrequencyElectrical18 cycles/min
Mechanical18 cycles/min
Operating Features (At 12VDC)HF300g (Min.)
Fracture Force200N
PT8.0mm±0.20mm
OF300g.cm (Min.)


Products

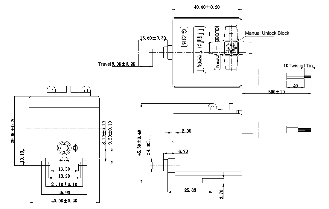
Product Drawing of G23B Motor Electronic Lock for Onboard AC Charging Socket

g23b drawing

G23B Motor Electronic Lock for Onboard AC Charging Socket Application

Contact with Us
Add:
RM1311, Renfeng Building, No. 490, Tianhe Road, Tianhe District, Guangzhou, Guangdong, China, 510630.
Unionwell
Switches are us, switch to us. Find quality micro switches at Unionwell
Add:
RM1311, Renfeng Building, No. 490, Tianhe Road, Tianhe District, Guangzhou, Guangdong, China, 510630.
Add:
RM1311, Renfeng Building, No. 490, Tianhe Road, Tianhe District, Guangzhou, Guangdong, China, 510630.
We use cookies to offer you a better browsing experience, analyze site traffic and personalize content. By using this site, you agree to our use of cookies. Visit our cookie policy to learn more.
Reject Accept