Email Us
Waterproof Micro Switch G5W11
12 volt waterproof micro switch
12 volt waterproof micro switch
micro push button switch waterproof
waterproof micro limit switch
waterproof momentary micro switch
waterproof micro switch 12v
waterproof micro switch
waterproof push button micro switch
waterproof push button micro switch 2
waterproof push button micro switch 4
waterproof push button micro switch 3
waterproof push button micro switch 5
waterproof push button micro switch 6

Waterproof Micro Switch G5W11

  • Waterproof and dust proof

  • Compact structure, small contact gap, snap action, high sensitivity

  • Long life, high precision, and reliability

  • Widely used in the automotive industry, agricultural equipment, office equipment, etc.

  • Max approved current at ENEC/UL is 10A

Waterproof Push Button Micro Switch G5W11 

3D View


Specifications

Place of OriginGuangdong, China (Mainland)
Brand NameMicro Switch Manufacturer Unionwell
Model NumberG5W11 Series
Operating  Force15gf/25gf/50gf/100gf/200gf
Terminal TypeQuick Connect/Lead Wires
Lever TypeNo Lever/Hinge/Roller
Circuit CodeSPDT/SPST-NO/SPST-NC
CertificationsENEC, UL/cUL, CQC
OEM/ODMAvailable
RatingW1ENEC:0.1A,125/250VAC; 0.1A 48VDC 40T85 5E4 μ
UL: 0.1A,125/250VAC; 0.1A 48VDC T85
W2ENEC: 0.1A,125/250VAC; 5A 48VDC 40T85 5E4 μ
UL: 5A 125/250VAC,5A 30VDC T85
W3ENEC: 10(2)A 125/250VAC,0.5A 125VDC, 0. 25A 250VDC, 40T85, μ, 2E4
UL: 10.1A 1/10HP 125/25OVAC, 0.5A 125VDC, 0.25A 250VDC,T85
Operating FrequencyElectrical10~30 cycles/minute
Mechanical60 cycles/minute
Contact Resistance(Initiative)with Terminals50 mΩ Max (without  wire type)
with Wires100 mΩ Max (up to the wire length)
Insulation Resistance (at 500VDC)100mΩ Min
Dielectric StrengthBetween TerminalsAC, 1,000V 50-60Hz 1 min
Between Terminals and HousingAC, 1,500V 50-60Hz 1 min
Operating Temperature-40°C~+125°C
Operating Humidity85% RH Max
Protection LevelNo Lead WiresIEC IP67(expect terminal)
with Lead Wires1EC IP67
Protection Level Against Electric ShockClass II
Life ExpectancyElectrical20,000 cycles ~ 100,000 cycles (up to the model selected)
MechanicalOver 500,000 cycles or 1,000,000 cycles (60 cycles/min)
Unit Net WeightApprox. 7g


Products

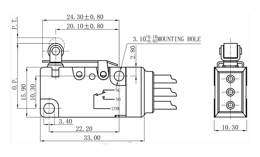
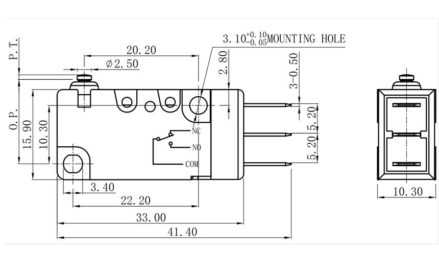
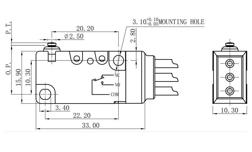
Product Drawing of Waterproof Push Button Micro Switch G5W11

china micro switch 12v
12 volt waterproof micro switch
waterproof micro switch 12v
waterproof micro limit switch
waterproof micro switch
waterproof momentary micro switch

Waterproof Push Button Micro Switch G5W11 Related Applications

Contact with Us
Add:
RM1311, Renfeng Building, No. 490, Tianhe Road, Tianhe District, Guangzhou, Guangdong, China, 510630.
Unionwell
Switches are us, switch to us. Find quality micro switches at Unionwell
Add:
RM1311, Renfeng Building, No. 490, Tianhe Road, Tianhe District, Guangzhou, Guangdong, China, 510630.
Add:
RM1311, Renfeng Building, No. 490, Tianhe Road, Tianhe District, Guangzhou, Guangdong, China, 510630.
We use cookies to offer you a better browsing experience, analyze site traffic and personalize content. By using this site, you agree to our use of cookies. Visit our cookie policy to learn more.
Reject Accept