Email Us
Automatic Door Switch G5D
atex snap action micro switch
atex snap action micro switch
explosion proof door switch

Automatic Door Switch G5D

  • Derivative of G5 Series, used for automatic door detecting.

  • Rugged construction, small contact distance, snap action, high sensitivity, and short operating travel

  • Global safety approvals

  • Long life, high reliability

  • Multiple choices of operating forces

  • With optional PTI grades

  • Variety of levers and covers

Specifications of Automatic Door Switch G5D

Place of Origin Guangdong, China (Mainland)
Brand Name Unionwell
Model Number G5D
Max Operating  Force 1800gf
Operating Temperature -25°C~+125°C
Terminal Type Quick Connect/PCB/Solder/Screw
Lever Type Roller
Circuit Code SPDT/SPST-NO/SPST-NC
Certifications ENEC, UL/cUL, CQC
OEM/ODM Available
Operating  Linear Speed 0.1~1m/s (up to the actuating method)
Operating  Frequency Mechanical 60 cycles/min; Electrical 15 cycles/min
Insulation Resistance ≥100MΩ(500 VDC)
Contact Resistance (Initial Value) ≤100mΩ
Voltage Resistance between terminals AC1000V,50/60Hz,1min.
Between electrified metal parts and housing, and between terminals and unelectrified metal parts AC1500V,50/60Hz,1min.
Vibration Durability 10-55Hz Double amplitude 1.5mm
Shock Resistance Destruction: OF>1.0N: 1000m/s2 (approx. 100G) max.
                         OF≤1.0N: 400m/s2 (approx. 40G) max.
Destruction: OF>1.0N: 200m/s2 (approx. 20G) max.
                     OF≤1.0N: 100m/s2 (approx. 10G) max.
Service Life Mechanical ≥ 10,000,000 cycles or 1,000,000 cycles
Electrical ≥ 50,000 cycles or 100,000 cycles


Products

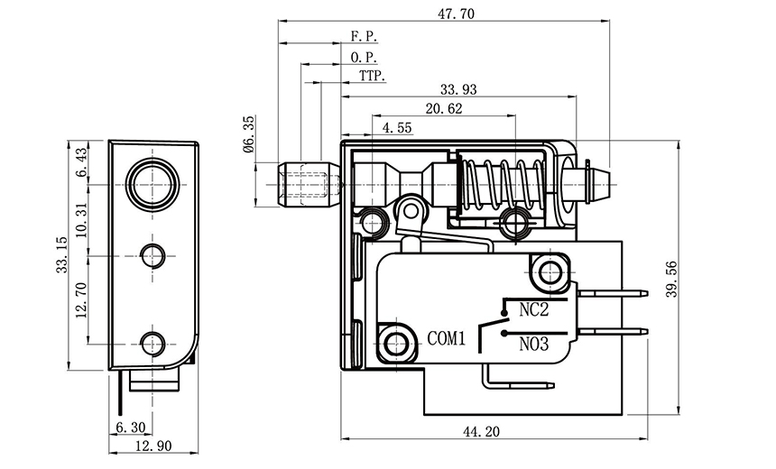
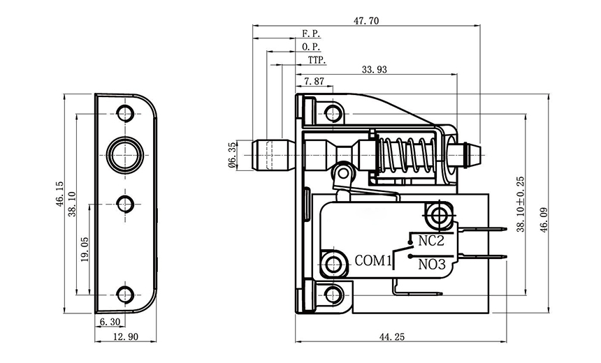
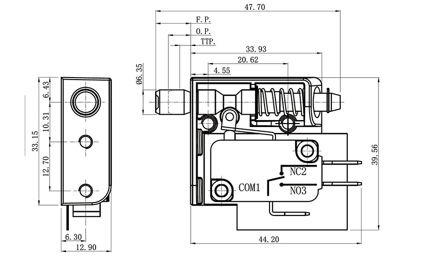
Product Drawing of Automatic Door Switch G5D

automation microswitches
automation micro switches
locking safety switch
door lock micro switch
micro switch door lock
Contact with Us
Add:
RM1311, Renfeng Building, No. 490, Tianhe Road, Tianhe District, Guangzhou, Guangdong, China, 510630.
Unionwell
Switches are us, switch to us. Find quality micro switches at Unionwell

Popular Door Micro Switch

Add:
RM1311, Renfeng Building, No. 490, Tianhe Road, Tianhe District, Guangzhou, Guangdong, China, 510630.
Add:
RM1311, Renfeng Building, No. 490, Tianhe Road, Tianhe District, Guangzhou, Guangdong, China, 510630.
We use cookies to offer you a better browsing experience, analyze site traffic and personalize content. By using this site, you agree to our use of cookies. Visit our cookie policy to learn more.
Reject Accept