Email Us
High Reliability Basic Micro Switch  G5T
high reliability basic micro switch 02
high reliability basic micro switch 02
high reliability basic micro switch 03
v 01

High Reliability Basic Micro Switch G5T

Tight configuration, small contact gap, snap action
High sensitivity and small operating travel
Long life, high reliability
Global safety approvals
Variety of terminals
Variety of levers
Wide operating force (7gf~600gf )
Wide Range Temperature Grade (-40℃~+150℃), 200℃0ptional
With optional PTI grade (175V, 250V, 600V)

 

Introducing our latest release - the Basic Micro Switch G5T16-A2Z400A05-BU!

 

We are proud to present this innovative and versatile product that is sure to meet your needs. With its small size and high accuracy, the Basic Micro Switch G5T16-A2Z400A05-BU is perfect for a wide range of applications in electronics, home appliances, and automation systems.

Specifications of High Reliability Basic Micro Switch

Place Of Origin

Guangdong, China (Mainland)

Brand Name

Unionwell

Model Number

G5T16-A2Z400A05-BU

Temperature Grade

25T125

Operating Speed

0.1mm -1m/s (related with actuator forms)

Operating Frequency

Mechanical 60 cycles/min

Electrical 15 cycles/min

Insulation Resistance

≥100MΩ (500VDC)

Contact Resistance (Initial Value)

≤100mΩ

Vibration Resistance

10-55Hz, 1.5mm double amplitude

Service Life

Mechanical ≥10,000,000 cycles or 1,000,000 cycles

Electrical ≥50,000 cycles or 100,000 cycles

Unit Net Weight

Approx. 6.2g (no lever)


The Basic Micro Switch G5T16-A2Z400A05-BU is a high-quality electrical component that possesses numerous positive attributes, including tight configuration, snap action, high sensitivity and small operating travel, long life, high reliability, global safety approvals, and a variety of terminals and levers. Its exceptional performance and versatility make it a popular choice in many industries.


Products

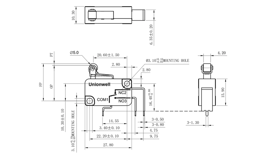
Product Drawing of High Reliability Basic Micro Switch

high reliability basic micro switch 04
Contact with Us
Add:
RM1311, Renfeng Building, No. 490, Tianhe Road, Tianhe District, Guangzhou, Guangdong, China, 510630.
Unionwell
Switches are us, switch to us. Find quality micro switches at Unionwell
Add:
RM1311, Renfeng Building, No. 490, Tianhe Road, Tianhe District, Guangzhou, Guangdong, China, 510630.
Add:
RM1311, Renfeng Building, No. 490, Tianhe Road, Tianhe District, Guangzhou, Guangdong, China, 510630.
We use cookies to offer you a better browsing experience, analyze site traffic and personalize content. By using this site, you agree to our use of cookies. Visit our cookie policy to learn more.
Reject Accept